
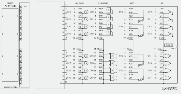
订货号:CKS7 331-7KF02-0AB0
8通道模拟量输入,全功能测温模块,分辨率16位;
外部机械量程开关可以极大的提高测量的稳定性;
抗干扰能力强,性能稳定;
电流输入带过流保护。
技术参数
•额定值 | 24V DC | |
电源损耗 | •总线消耗电流 | 100mA |
•L+消耗电流 | 25mA | |
•总功耗 | 1W | |
•供电电流 | 每通道最大60mA | |
•短路保护 | 有 | |
模拟量输入通道 | 8 | |
电缆长度(屏蔽) | 200m;80mV时最长50m | |
输入类型及范围 | •电压 | ±80mV,±250mV,±500mV,±1v ,±2.5v,±5v,1~5V,±10v |
•四线电流 | ±3.2mA,±10mA,±20mA,4~20mA | |
•二线电流 | 4~20mA | |
•电阻 | 600Ω, 300Ω,150Ω | |
•热电耦 | K,J, N, E,L | |
•热电阻 | Pt100、Ni100
| |
A/D转换精度 | 16位 | |
每通道基本转换时间 | 0.5ms/12.5ms/25ms/100ms | |
干扰抑制频率 | 40/60/30/10Hz | |
误差(整个温度范围内允许极限) | •电压 | ±0.6% |
•电流 | ±0.6% | |
•电阻 | ±0.6% | |
•精度 | ±1℃ | |
终端 | •诊断中断 | 有,每组可设置参数 |
•极限值中断 | 有,可设置参数 | |
隔离 | •通道之间 | 无 |
•通道与背板总线之间 | 有 | |
前连接器 | 20针 | |
尺寸(长X宽X高) | 40×125×120 | |
接线图










