您好,欢迎访问williamhill官方网站官网!

400-807-8997
williamhill官方网站

CKSKY 288-3AE04-0AA0 模拟量输入模块,4AI x 16Bit

发布时间:2022-06-28人气:81

产品电气接线示意图

image.png

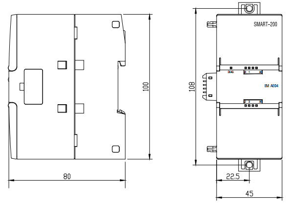
产品尺寸示意图

image.png


标签:全部

推荐资讯

400-807-8997