
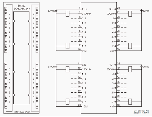
订货号:CKS7 322-1BL00-0AA0
32点数字量输出,24V DC;
抗干扰性能强,性能稳定;
晶体管输出,光耦隔离。
技术参数
电源损耗 | •总线消耗电流 | 90mA |
•总功耗 | 6W | |
数字量输出点数 | 32 | |
电缆长度 | 1000m(屏蔽);600m(非屏蔽) | |
输出短路保护 | 有,电子式 | |
导致电路终端的电压极限 | L+(-53V) | |
最大灯负载 | 5W | |
输出电压:“1” | 最小L+(-0.8V) | |
输出电流:“1” | 0.5A | |
触点机械寿命 | / | |
输出总电流(每组) | 4A | |
光电隔离 | •通道与背板总线之间 | 有,光电耦合 |
•每组通道之间 | 有 | |
开关频率 | •阻性负载,最大 | 100Hz |
•感性负载,最大 | 0.5Hz | |
•灯负载,最大 | 10Hz | |
•机械负载,最大 | / | |
前连接器 | 40针 | |
尺寸(长 X 宽 X 高) | 40×125×120 | |
接线图










