您好,欢迎访问williamhill官方网站官网!

400-807-8997
williamhill官方网站

CKS7 323-1BL00-0AA0

发布时间:2019-04-24人气:1183

image.png

订货号:CKS7 323-1BL00-0AA0 

16点数字量输入/16点输出,24V DC; 

晶体管输出,光耦隔离; 

抗干扰性能强,性能稳定。

技术参数

电源损耗

•从背板总路线消耗电流

80mA

•总功耗

6.5W

输入特性

数字量输入点数

16

输入电压

•额定值

24V DC


•“0”信号

-30V~5V DC


•“1”信号

13~30V DC

输入电流

7mA

输入延时

•从0到1,最小

1.2~4.8ms


•从1到0,最小 

1.2~4.8ms

输入类型

漏型

输出特性

数字量输出点数

16

输出短路保护

有,电子式

导致电路中断的电压极限

L+(-53V)

最大灯负载

5W

输出电压:“1”信号

最小L+(-0.8V)

输出电流:“1”信号

0.5A

隔离

•通道与背板总线之间

有,光电耦合


•每组通道之间

电缆长度:屏蔽/非屏蔽

1000/600m

前连接器

40针

尺寸(长 X 宽 X 高)

40×125×120


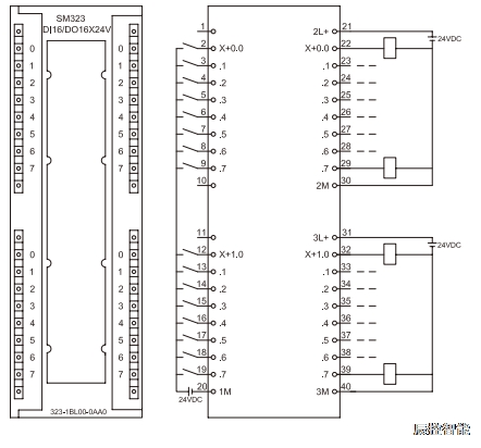
接线图

image.png

推荐资讯

400-807-8997